Ecological fossil fuel alternatives

Renewable EnergyPellentesque adipiscing leo condimentum enim ullamcorper pretium. Aenean gravida, libero nec convallis ornare, massa odio.

Read More...

Centrifugal pumps in the agriculture and industry

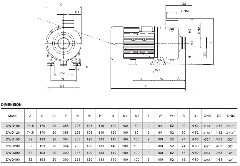
Bomba centrífuga DWO

Category: Centrifugal pumps
Hits: 12930

Aplicaciones:

Adecuado para el sistema de limpieza por circulación de varias líneas de producción y transportadoras que contienen impurezas.

Materiales:
Fundición, contraportada, impulsor y eje de la bomba: SUS304 material

Carcasa del motor: Aleación de aluminio

Límites de funcionamiento:

Max. diámetro de sólido: 14mm

Temperatura del líquido: -15 ° C ~ + 80 ° C

Se puede conectar con tubo roscado o manguera.

Esta bomba se puede utilizar a toda fuerza sin el motor de sobrecarga.

Motor:

Funcionamiento continuo

Aislamiento de clase B

Clase de protección: IP55

Rango de temperatura de medio ambiente: -15 ° C ~ + 40 ° C

Material de la parte húmeda: SUS304 o SUS316

Ask about this product