Ecological fossil fuel alternatives

Renewable EnergyPellentesque adipiscing leo condimentum enim ullamcorper pretium. Aenean gravida, libero nec convallis ornare, massa odio.

Read More...

Centrifugal pumps in the agriculture and industry

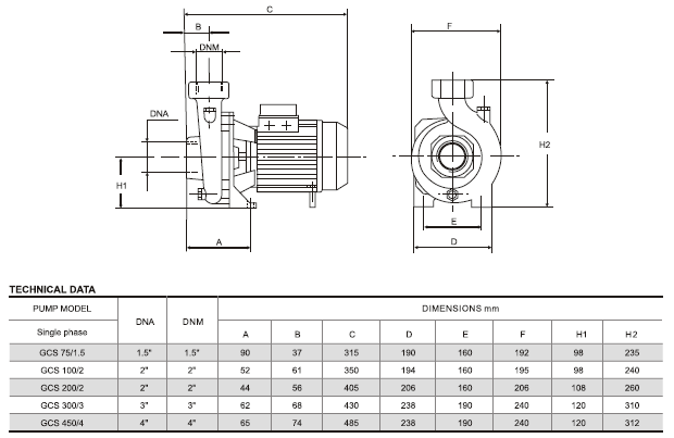
Bomba centrífuga GCS

Category: Centrifugal pumps
Hits: 6746

Aplicaciones:

Las bombas centrífugas de una sola etapa de la serie GCS son aceptables para aplicaciones domésticas e industriales para transportar líquidos limpios y fluidos químicos no agresivos.

MATERIALES:

Cuerpo de la bomba está en hierro fundido.

Impulsor en latón / hierro fundido.

Eje en acero 45 # / acero inoxidable.

Sello mecánico: grafito / cerámica a petición.

Ask about this product